- West import
- Knallert Modeller
- Puch
- Maxi K+P
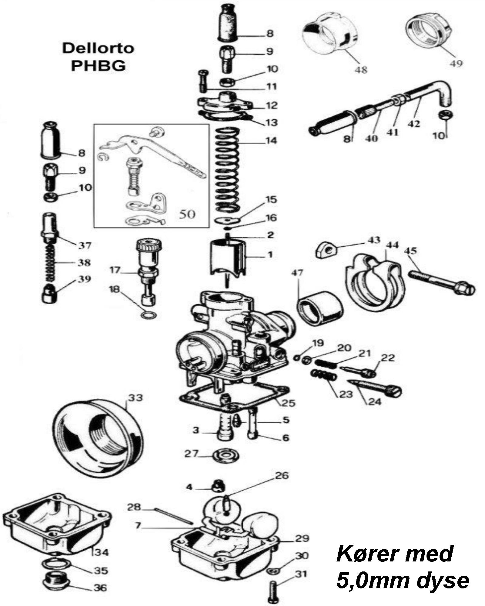
- Dyser/karburatordele
- Reservedele Dellorto 17/18/20/21mm
Kategorier
-
Knallert Modeller
-
Puch
-
Maxi K+P
- Cylinder/Top/Stempel/ Pakninger
- Komplette sæt
- Krumtap/Lejer/ Simmeringe
- Kobling/Motordele/Blokke
- Karburator/Studs/Filter
- Udstødning
- Styr/Kabler/Greb
- Forgaffel/Skærme
- Kæde/Tandhjul
- Stel/Tank/Staffering
- Tænding/Elektriske Dele
- Lygter/Pærer/Kontakter
- Sæde/Spedometer/Udstyr
- Hjul/Bremser/Fælge
- Dæk & Slanger
- Bolte/Møtrik/Skiver Diverse Sortimenter
- Dyser/karburatordele
- Værktøj
- Tændrør/Hætte/Kabel
- Olie produkter
- Smøre-Pleje-Kemi
- Hjælpemidler/Universal
- Kuglelejer
- Maxi KL
- Maxi P1
- Maxi 2 Gear
- Maxi plus
- Mini Maxi
- Monza/Ms/Vz/Div
- Puch blandet
-
Maxi K+P
- Yamaha
- Suzuki
- Honda
- Vespa
- Derbi
- Tomos
- Aprilia
- Div modeller
-
Puch
- Scooter Model
- Veteran/Andet
- Universal Mega Menu
- hjelme div
- test
Tilpas udvalg